×
are you sure?
×
login
|
register
username:
password:
apply
HRV
ENG
DEU
toggle navigation
about us
news
products
Control system LC100
About
Controller packages
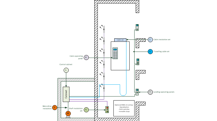
Typical configurations
Scope of supply
Control cabinet
Cabin connection set
Traveling cable
Positioning system
Shaft equipment
Cabin panels
Landing panels
Optional equipment
Fixtures design
Stainless steel
glass
Corian™
wood
Touch panels
Control boards and displays
Boards
Control cabinet
Car connection
Input-output
Communication
Displays
Dot Matrix
TFT
Touch interface
Stand-alone devices
Emergency call
Load measurement
Voice announcement
Door bridge board
Universal door controller
Accessories
Complete solutions
About
Modernization and existing buildings
Elevator systems
Centrally guided traction
Cantilever traction
Design
Cabins
Doors
Shaft structures
Bespoke projects
Online tools
Electrical packages
Fixtures
Elevators
Cabines
Modernizations
Monitoring
Download
Contact
Typical configurations
MR BOTTOM